意外に使えるLCR-T4をプチ改造
LCR-T4をお試し程度のつもりで使い始めましたが、便利で使えるので、もっと気軽に扱えるようにプチ改造しました。
「LCR-T4」は、一般的電子回路で使用する単一機能部品(トランジスタ、ダイオード、コンデンサ、コイルetc)の基本特性や端子の極性表示などを簡単に計測できる大変便利な価格的には玩具ですが、個人レベルでの利用では十分測定器として使える便利なものです。
元々は、AVRマイコンのオープンソースの回路?を製品化したもののようで、酷似商品が多数存在します。
回路図も公開されていますしオリジナルのFWも拾えますので、自作も可能と思いますが、購入したほうが安上がりです。
![]() | HiLetgo LCR-T4 9V 128*64 LCD抵抗コンデンサー ダイオード SCR トランジスタ ESR メーター テスター [並行輸入品] 新品価格 |
プチ改造の内容は、
- ケースに入れる
- 006P電池の他にACアダプターでも使用できるようにする。
ケースは、100均や文房具の梱包ケースなどを使うと安上がりではありますが、見栄えに劣る場合が多々あるので、今回はヤフオクで販売しているケースを購入しました。
「新タイプ LCR-T4 正規品用 LCR ESR トランジスタ テスター用ケース シルバー」という名前でヤフオクで販売されているものです。
送料別で700円でした。送料込みでも本体と合わせて2,100円程度 !!
シルバーというよりはグレーですね。ブラックもあるようです。
外観はシッカリしたつくり(ねじ穴の強度はさほどないと思われるので、頻繁な開け閉めや絞め過ぎは避けた方がよさそうです。)で、玩具が立派な測定器に変身しました(^^)/
3Dプリンターで製作されたものようで、一体成型物に対して、改造する場合は、注意が必要と思います。
比較的低い温度で溶解したり、特定方向に割れが発生しやすかったりします。
穴あけ加工は、小さい穴から徐々に大きくして、周辺への負担を極力軽減し、ルーター等で加工する場合もあまり温度が上がらないように連続的な摩擦は最低限とします。(すぐ溶けるので融着します。無理に外すと割れます。)
いきなり改造後、使いやすくなった?LCR-T4
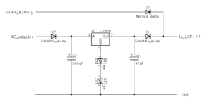
簡単な回路なので回路図は作ってないので、回路構成の概要だけ記載します。
LCR-T4は内部で5V三端子レギュレータで安定化しているので、特に安定化して入力する必要はありませんが、使用する人がアバウトなので、使用するACアダプターがコロコロ変わることを想定して、逆接続防止にアダプターの入力はダイオードを経由して5V三端子レギュレータへ、但し、5Vでは電圧が低すぎるのでLED2個の下駄をはかせて、約9Vとしてします。(ACアダプターに接続される入力部のダイオードは、順方向電圧が高くなり電圧の高いACアダプターが必要になりますが、逆方向耐圧の高い普通のダイオードの方が安全性は高くなります….そんなに高い電圧のACアダプターは使わないでしょうからここではショトキーバリアを使用しています。)
ACアダプターからの9Vは、ショトキーダイオード経由でLCR-T4に接続。電池の入力は普通の整流ダイオード(漏れ電流が小さく順方向電圧が大きい)経由でLCR-T4に接続して、ダイオードSWによるACアダプターと電池の切り替えをするようにしました。
LCR-T4の電源オン時の電圧確認で、ACアダプターを接続しない電池だけの場合、8.00Vと表示、ACアダプター接続時は、8.55Vと表示して、ACアダプターと電池の切り替えもできているようです。念のために測定結果も比較してみましたが、差異はありませんでした。(当然^^♪)
ACアダプターは12V程度のものが必要ですが、古いトランス式のACアダプターなら、9V品とかでも小電流では12V程度ある場合があり、この場合は使用可能です。実際ここでの使用は定格9Vのトランス式のものを使用しています。(無負荷で12V程度あります)
ケースは、ACアダプター接続用の穴と側面のLED用の穴を開けましたので、ACアダプター接続時は側面のLEDが赤く光り存在感を主張します。工具を見失う私にはよいマーカーとなると思います。
改造費用は、ケース以外は手持ち部品を使用で0円なり
使いやすくなったLCR-T4 (トランジスタテスター、LCRテスター、ESRテスター)
LCR-T4
は、自作される方や古い機材を趣味で修理される方は、すでに高価な測定器をお持ちでない限り、入手されて損はない優れものだと思います。
そんなLCR-T4を電池の消耗を気にしないで、工具箱にもほり込める(本気でラフに扱うにはLCD保護の工夫が必要と思いますが)ようになり、さらに使いやすくなりました。
内蔵の電池をアルカリ電池ではなく、電圧が少し低く(ACアダプターとの切り替えがより確実になる)容量の大きいリチウムイオン電池にして、極力ACアダプターで使用するようにしたら、10年以上電池交換不要になるかも....(そもそもLCR-T4自体の寿命がそんなにないでしょうけど)
ニッケル水素2次電池にして、充電できるようにする手もあると思いますが、デスクワークでほぼACアダプター使用なら、今回の改造で十分に思います。
おまけ
趣味でいろいろ工作する方は、以下のパーツセットを用意しておくと結構いろいろと出来ます。
おそらくすべて中国製でしょうけど、今のところ不良はなく、パーツの精度もそれなりで十分便利に使えます。但し、トランジスタなどは高周波用のものは少ないので、どちらかというと低周波領域での工作に向きます。
![]() | 新品価格 |









コメントを残す